服務項目
您的位(wèi)置:首頁 > 產品(pǐn)中心 > 不鏽鋼法蘭

不鏽鋼法蘭

板式平焊法蘭 SOP

板式平焊法蘭 SOP

所(suǒ)屬分類:不鏽鋼法蘭

點擊(jī)次數:

關鍵(jiàn)詞:

沒有了 盲板法蘭 BL

產品詳情

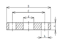
一:產品參數

產品名稱:5K承插焊接法蘭(鍛造)SOP

產品外觀:不鏽鋼金屬色(sè)

製造工(gōng)藝(yì):鍛(duàn)打+車削


二:尺寸規格 


QQ圖片20181203164945.png

QQ圖片20181203165040.png

5K.png


相關(guān)產品

相關新聞

91视频入口_91视频官网_91视频网址_www.91视频.com 91视频入口_91视频官网_91视频网址_www.91视频.com